eFF FF-143.13-Q35 elektromos zár, jobbos tűzgátló minősített ProFix2 zárfogadó
eFF FF-143.13-Q35 elektromos zár, jobbos tűzgátló minősített ProFix2 zárfogadó, védődiódás, 12V-24Vac/dc
- Működési mód: Feszültségre nyitó tehát normál működésű (munkaáramú) mágneszár (fail-secure)
- Tápfeszültség: 12V-24Vac/dc
- Állítható Zárnyelv (FF, FaFix®) 2 mm-es beállítási tartomány 0,5 mm-es lépésekkel
- Feltörési ellenállás: 8000 N
- Szerelés DIN: Jobbos
- ProFix® 2 Zárnyelvkivezető mágneszár: rejtett szerelésű – tokközépre szerelhető – nyelvkivezetővel ellátott zár
- Tűzálló ajtókhoz alkalmas
Műszaki adatok:
- Zárnyelv állítás: állítható zárcsapda (FF, FaFix).
- Pajzs nélküli zártest.
- Beépítés: minden Profix előlappal használható
- Kivitel: szimmetrikus zárszerkezet
- FaFix® beállítási tartomány 2 mm
- Reteszcsavar rögzítési mélysége 6 mm
- Működési hőmérséklet tartomány -15 °C és +40 °C között
- Folyamatos funkcióterhelési ciklusok 200 000
- Nyitás-zárás ciklus teszt 500 000
- Beépítési helyzet Függőleges és vízszintes
- EN 14846:2008 megfelelőségi tanúsítvánnyal rendelkezik
- eFF-143.13-Q35 alkalmazás: fedett helyen, beltéri
- normál működésű
- kompatibilis: FF-142U
- eFF-143.13-Q35 tűzgátló ajtókhoz
- Előfeszítettség tűrés: 4000/800N
- Áramfelvétel 12 V AC/DC 165 mA
- Áramfelvétel 24 V AC/DC 80 mA
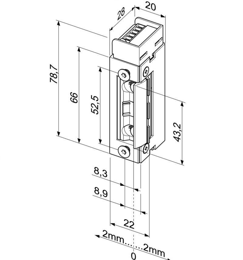
- Magasság 79 mm
- Szélesség 23 mm
- Mélység 28 mm
- 12V-24Vac/dc
Leírás:
Feszültségre nyitó zárfogadó (munkaáramú): eFF FF-143.13-Q35 elektromos zár tehát feszültség hatására nyitja az ajtót és áramszünet esetén vagyonvédelmi célból zárva marad (Fail-secure) és bezárt állapotban van mindaddig amíg nem kap feszültséget.
Nyelvkivezető zár vagy rejtett szerelésű zárfogadó: tehát a FF-143.13-Q35 zár az ajtó tokjának a közepébe is beépíthető mivel nem kell a tok szélét kivágni, hogy kibillenjen a zárnyelv. Ezért is hívják tokközépbe szerelhető vagy zárnyelvkivezető zár. Speciális nyelv-kivezetővel ellátott zárpajzsokkal lehet csak szerelni.
Felhasználás:
az eFF-143.13-Q35 zárfogadó intenzív használatra lett tervezve
Az elektromos zárfogadó az elektromos áramot használják a zárnyelv mozgatásához, amely lehetővé teszi a zár nyitását vagy zárását. Széles körben használatosak épületek, intézmények, vállalatok és lakóházak biztonsági rendszereiben. A zár rendszerint a bejárati ajtóban vagy más helyeken található, és egy elektromos kapcsoló segítségével vezérelhető, amely lehetőséget ad a zár nyitására vagy zárására.
Az eFF FF-143.13-Q35 elektromos zár általában biztonsági rendszerekhez, beléptető rendszerekhez és ellenőrzési pontokhoz használják őket. Általában vezérlőegységekkel, kártyaolvasókkal vagy más azonosítási rendszerekkel együtt működnek, és lehetővé teszik a belépési jogosultságok szigorú ellenőrzését.
Az elektromos zár előnye, hogy könnyen telepíthetők, könnyen kezelhetők, és rugalmasan illeszthetők a különböző biztonsági rendszerekhez. Az elektromos zárfogadók lehetőséget adnak arra, hogy a zárat távolról vezéreljük, így biztonságosabbá és kényelmesebbé téve az épület vagy a lakás bejutását és kilépését.
Az EFF Elektromos Zár egy olyan biztonsági zárrendszer, amely elektromos impulzusokkal vezérli a zárfogadót. Az elektromos impulzusokat általában kulcs nélküli vezérlés vagy számítógépes vezérlés révén adja ki.
Az EFF elektromos zárat általában olyan helyeken alkalmazzák, ahol magas biztonsági szintre van szükség, például kórházakban, bankokban, irodaházakban és más hasonló helyeken. Az elektromos zárak előnye, hogy könnyen vezérelhetők, nincs szükség kulcsokra, és a zárak általában számos biztonsági funkcióval rendelkeznek, például kulcs nélküli vezérlés, távoli vezérlés, illetéktelen behatolás érzékelése stb.
Összességében az FF elektromos zár egy magas biztonsági szintet biztosító, könnyen vezérelhető zárrendszer, amely a belső ajtók, az irodaházak és az üzleti helyiségek biztonságának növelésére használható.
Az eFF-143.13-Q35 zárfogadó egy biztonsági zár típus a mit elektromos árammal vezérelnek. A zár rendszerint egy ajtóra vagy egy kapura van felszerelve.




